manual transmission suv 2016

2016 Holden COMMODORE SS - MitchLand - Shannons Club. 15 Images about 2016 Holden COMMODORE SS - MitchLand - Shannons Club : Compact Suv With Manual Transmission - walkever, The Endangered Manual Transmission - 2018 Comprehensive List of Manual and also What Does A Manual Transmission Look Like.

2016 Holden COMMODORE SS - MitchLand - Shannons Club

2016 Holden COMMODORE SS - MitchLand - Shannons Club www.shannons.com.au

commodore ss holden shannons garage featured club

Thread Of The Day: Which Manual Transmission SUV Is Best?

Thread of the Day: Which manual transmission SUV is best? www.motortrend.com

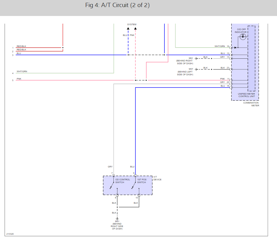
Transmission Sometimes Will Not Engage: Usually My SUV Works Fine...

Transmission Sometimes Will Not Engage: Usually My SUV Works Fine... www.2carpros.com

transmission engage sometimes enlarge

Compact Suv With Manual Transmission - Walkever

Compact Suv With Manual Transmission - walkever walkever.weebly.com

manual transmission suv cars honda compact hr usnews

AUDI A3 Sportback E-tron Specs & Photos - 2016, 2017, 2018, 2019, 2020

AUDI A3 Sportback e-tron specs & photos - 2016, 2017, 2018, 2019, 2020 www.autoevolution.com

audi a3 tron sportback autoevolution present

QOROS 3 City SUV Specs & Photos - 2015, 2016, 2017, 2018, 2019, 2020

QOROS 3 City SUV specs & photos - 2015, 2016, 2017, 2018, 2019, 2020 www.autoevolution.com

suv qoros 6t poster guangzhou debuts international autoevolution present printcarposter

Transmission Sometimes Will Not Engage: Usually My SUV Works Fine...

Transmission Sometimes Will Not Engage: Usually My SUV Works Fine... www.2carpros.com

transmission engage sometimes sponsored links

Mazda CX-5 2013-2016: Problems, Fuel Economy, Driving Experience, Photos

Mazda CX-5 2013-2016: problems, fuel economy, driving experience, photos www.samarins.com

mazda cx interior cx5 problems economy fuel driving experience samarins manual

What Does A Manual Transmission Look Like

What Does A Manual Transmission Look Like 85photoproductions.com

curl carscoops

What Suvs Have Manual Transmission

What Suvs Have Manual Transmission learn2quit.com

eades

Cheapest Manual Transmission SUV - Video Http://www.youtube.com/watch?v

Cheapest Manual Transmission SUV - Video http://www.youtube.com/watch?v www.pinterest.com

Mahindra XUV 700 Launch Date, Price, Specifications, Mileage, Interior

Mahindra XUV 700 Launch Date, Price, Specifications, Mileage, Interior www.carblogindia.com

xuv mahindra xuv700 expo airbags rexton ssangyong carblogindia

The Endangered Manual Transmission - 2018 Comprehensive List Of Manual

The Endangered Manual Transmission - 2018 Comprehensive List of Manual www.tflcar.com

manual transmission golf cars gti toyota vw rav4 comprehensive list fiat endangered side offroad 500x jeep efficient crossover changed fuel

QOROS 3 City SUV Specs & Photos - 2015, 2016, 2017, 2018, 2019, 2020

QOROS 3 City SUV specs & photos - 2015, 2016, 2017, 2018, 2019, 2020 www.autoevolution.com

qoros suv guangzhou debuts international autoevolution present cars

Magnolia Motor Company :: Magnolia Motor Company - 2016 Chevrolet

Magnolia Motor Company :: Magnolia Motor Company - 2016 Chevrolet www.magnoliamotorcompany.com

traverse ltz chevrolet magnolia

Qoros 3 city suv specs & photos. Qoros suv guangzhou debuts international autoevolution present cars. Transmission sometimes will not engage: usually my suv works fine...